Home / Product
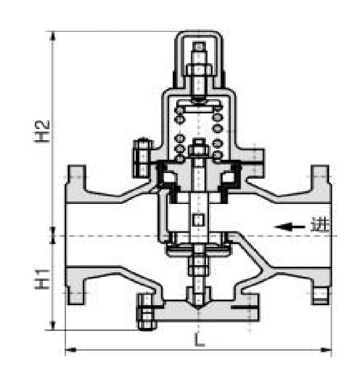
Y42X pressure regulator is a pressure regulator with a piston instead of a diaphragm. More than three times longer life than diaphragm type. For diameter less than DN50, it is recommended to use Y110 and Y116 (threaded connection) diaphragm pressure reducing valves; If the diameter is greater than or equal to DN50, it is recommended to use Y42X (French connection) piston type pressure reducing valve. This type of valve is an adjustable pressure reducing valve, the pressure after the valve can be adjusted according to the need, put into use after the valve pressure is always reduced to and stable at the set value, not due to the fluctuation of the valve pressure and flow. Valve selection quality, reliable performance, long service life.

Typical installation diagram

Water ConservancyRelief Valve.pdf